Контакты
Новости
Каталоги
 Войти
Сортировать:
Сначала новые
Сначала старые
Цена ↑
Цена ↓
Кол-во ↑
Кол-во ↓
Имя A→Я
Имя Я→A
Серийник ↑
Серийник ↓
72216509 - втулка
22 725 ₽
5185223 - кольцо
440 ₽
5185232 - палец
569 ₽
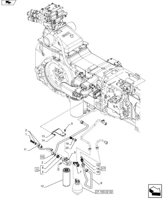
5185279 - Трубопровод гидравлический
499 ₽
5185284 - Прокладка / шайба
235 ₽
5185290 - палец
2 537 ₽
5185294C
1 001 ₽
5185294R
860 170 ₽
5185320 - клапан
11 814 ₽
5185337 - Кронштейн
28 615 ₽
5185368 - головка
23 778 ₽
5185422 - штуцер
492 ₽
5185423 - Фитинг гидр. блока упр. КПП TMT7/MXMPm, T6090
1 867 ₽
5185424 - Крышка пылезащитн. фитинга гидр., вся техн. CNH
105 ₽
AGCO0925-24-86-00
1 377 ₽
AGCO2039C02801
1 377 ₽
5185426 - Уплотнение
435 ₽
5185497 - вал
38 386 ₽
5185502 - Кольцо упл. втулки направл. вала муфт скор./прив. моста передн. КПП TMT7/MXMPm, T6090
858 ₽
5185509 - кольцо
21 ₽
5185510 - Кольцо упл. гидр. соед., все тракторы CNH
22 ₽
5185511 - Кольцо упл. гидр. cистемы, все тракт. CNH
148 ₽
5185513 - Кольцо упл. трубки масл. блока клапанов КПП TMT7/MXMPm., T6/Maxx.
27 ₽
5185524 - Соединитель
932 ₽
«
<
1
...
92
93
94
95
96
...
34117
>
»
Страница:
Перейти